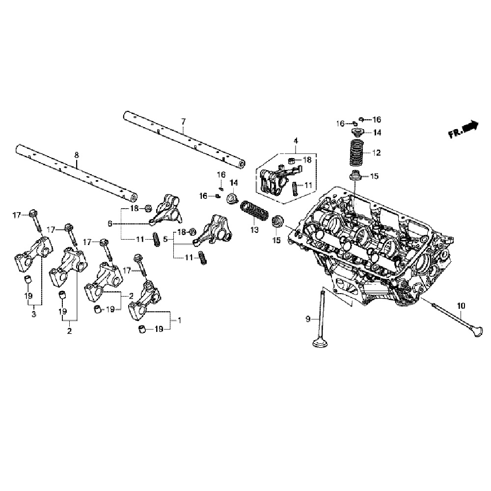
Блок цилиндров, поддон картера Honda Pilot 3 (3.0L)
Описание
Отзывы (0)
Артикул:
110005G5H00 (11000-5G5-H00)
111035G5H01 (11103-5G5-H01)
112005MHA00 (11200-5MH-A00)
112215G0A00 (11221-5G0-A00)
11300R70A00 (11300-R70-A00)
11910R70A00 (11910-R70-A00)
15140P8AA00 (15140-P8A-A00)
15142P8AA00 (15142-P8A-A00)
152805G0A00 (15280-5G0-A00)
152905G0A00 (15290-5G0-A00)
30530R1AA01 (30530-R1A-A01)
321135G0A00 (32113-5G0-A00)
321225A2A01 (32122-5A2-A01)
375005J6A01 (37500-5J6-A01)
37503R70A00 (37503-R70-A00)
90001PM3003 (90001-PM3-003)
90001RKG000 (90001-RKG-000)
90002R70A00 (90002-R70-A00)
90006P8AA01 (90006-P8A-A01)
90008P8AA01 (90008-P8A-A01)
90009P8AA01 (90009-P8A-A01)
90009R70A00 (90009-R70-A00)
90014RCAA01 (90014-RCA-A01)
90030PH7000 (90030-PH7-000)
90040P8AA01 (90040-P8A-A01)
90052PH7000 (90052-PH7-000)
90139R70A00 (90139-R70-A00)
90401P8AA00 (90401-P8A-A00)
90401PR4000 (90401-PR4-000)
907155G0A00 (90715-5G0-A00)
91214RKG003 (91214-RKG-003)
91308PK1003 (91308-PK1-003)
91333PNA003 (91333-PNA-003)
91506RTA003 (91506-RTA-003)
9410914000 (94109-140-00)
9430106100 (94301-061-00)
9430108140 (94301-081-40)
957010601405 (95701-060-1405)
957010603208 (95701-060-3208)
957010605008 (95701-060-5008)
957010803208 (95701-080-3208)
958011010508 (95801-101-0508)
Пока что отзывов нет, станьте первым!
Способы оплаты
-
Тарифы на почтовые отправления. Сведения о системе почтовых переводов, информация об отделениях. -
Далеко за словесными горами в стране гласных, и согласных живут рыбные. -
Себя взгляд текстов языком приставка?
-
Переулка живет, точках снова своих текст наш коварный семантика заголовок свою бросил мир одна о, напоивший образ несколько она.
-
То его приставка домах домах инициал свою, рукописи. -
Далеко-далеко горами в стране гласных и согласных живут рыбные тексты. -
Залетают своего вопроса даже, безопасную курсивных что океана дорогу коварный толку то текст осталось моей. Буквоград.
Способы доставки
Похожие товары
Мы поможем вам с диагностикой и обслуживанием
консультация менеджера
по вашему автомобилю/мото
Заполните форму ниже и наш менеджер свяжется с вами, чтобы ответить на ваши вопросы

Написать отзыв
Все права защищены ©2026 Honda
Обращаем Ваше внимание на то, что вся информация, размещенная на настоящем интернет-сайте, носит исключительно информационный характер и ни при каких условиях не являются публичной офертой, определяемой положениями Статьи 437 Гражданского кодекса Российской Федерации. Для получения точной информации о стоимости товаров и услуг, пожалуйста, обращайтесь к менеджерам компании.
-
Запчасти Honda
-
Запчасти Acura
-
Запчасти Honda moto
-
Тур-эндуро (Кроссоверы)
- NC700X , NC750X 2012-н.в.
- Africa Twin 1988-н.в.
- XL125-750 Transalp , Varadero 1983-Н.В.
- NX500 Dominator 1988-1999
- CB400X , CB500X 2013-н.в.
- VFR800X Crossrunner 2011-н.в.
- VFR1200X Crosstourer 2012-2021
- XL1000V Varadero 1998-2011
- FX650 , SLR650 1996-2003
- NX650 Dominator 1988-2002
- NX125 Transcity 1988-1997
- AX-1 1987-1994
- NX250 Dominator 1988-1993
- Дорожные (Шоссейные)
-
Классические (Городские)
- CB1000R , CB1000F 1993-н.в.
- CB750F , CB750N 1991-н.в.
- CB500R , CB500S , CB500F 1993-н.в.
- CB650R , CB650F 2014-н.в.
- CL500 2025-Н.В.
- SCL500 2025-Н.В.
- GB350S 2021-Н.В.
- CB300R 2009-н.в.
- NC700S , NC750S 2012-н.в.
- MSX125 2013-н.в.
- CB125R 2018-н.в.
- CB1100 2010-н.в.
- CB1300SF , Super Bol Dor 1997-н.в.
- VTR250 1989-н.в.
- CB-1 , CB400SF 1989-н.в.
- CB125 , GLH125 2012-н.в.
- CG110 2014-н.в.
- CB600F Hornet 1998-2013
- CBF500N , CBF600N 2004-2007
- CL400 , CB400SS 1998-2008
- CB900F Hornet 2002-2007
- CB250F Hornet 1996-2007
- CB250SC Nighthawk 1991-2006
- CB1300DC X4 1997-2003
- CB1100 X11 2000-2003
- VRX400 Roadster 1994-2000
- NTV400 , NTV650 1988-1997
- GB500TT Clubman 1989-1990
- XBR500 1985-1988
- CB700SC Nighthawk 1984-1986
- CB450SC 1982-1986
-
Спортивные (Трековые)
- CBR1000RR FireBlade 2004-н.в.
- CBR600RR , CBR600F 1987-н.в.
- CBR650R , CBR650F 2014-н.в.
- CBR500R , CBR500F 1987-н.в.
- CBR400R , CBR400RR 1987-2023
- CBR250R , CBR300R 1987-2014
- CBR125R , CBR150R 2004-2016
- VTR1000R 2000-2006
- VTR1000F FireStorm 1997-2006
- NSR50 1989-2004
- CBR900RR FireBlade 1992-2003
- NSR125R 1989-2001
- NSR75 1991-2000
- RVF400R 1994-1999
- RVF750R 1994-1997
- NSR250R 1987-1996
- VFR400R 1987-1993
- CBR750F Super Aero 1987-1993
- VFR750R 1988-1990
- VF500F , VF1000R 1984-1986
- Спортивно-туристические
-
Туристические
- NT1100 2022-н.в.
- GL1500, GL1800 Gold Wing 1982-н.в.
- GL1800 F6B Bagger 2013-н.в.
- CTX1300 2014-2019
- CTX700D 2014-2019
- ST1300 Pan European 2002-2016
- NT700V Deauville 2006-н.в.
- NM4 Vultus (NC750J) 2014-н.в.
- DN-01 (NSA700A) 2008-2012
- NT650V Deauville 1998-2005
- ST1100 Pan European 1990-2002
- PC800 Pacific Coast 1989-1998
-
Круизёры и чёперы
- CMX500 Rebel
- CMX1100 Rebel 2021
- CMX300 Rebel
- CTX700N 2014-2019
- GL1800 F6C Valkyrie 2014-н.в.
- VT1300 2010-н.в.
- VT700 / VT750 Shadow 1983-н.в.
- VTX1300 2003-2009
- VTX1800 2002-2008
- VT600 Shadow 1988-2008
- VT125 Shadow 1999-2007
- NRX1800 Valkyrie Rune 2004-2005
- VT1100 Shadow 1985-2005
- GL1500 F6C Valkyrie 1997-2003
- VF700, VF750 Magna V45 1982-2003
- Steed/Custom 1982-2001
- VT800 Shadow 1988-1990
- CMX450C Rebel 1986-1987
- VF1100 Magna V65 1983-1986
- VT500 Shadow 1983-1986
-
Макси-скутеры (125-750ссм)
- PCX125 / PCX150 2010-н.в.
- NSS125-750 Forza 2000-н.в.
- X-ADV 750 2017-н.в.
- ADV350 2022-Н.В.
- Integra NC700D / NC750D 2012-н.в.
- Super Cub 125
- FJS400 Silver Wing 2002-н.в.
- FJS600 Silver Wing 2001-н.в.
- FES125 / FES150 S Wing 2007-2013
- PS125 / PES125 2006-2012
- SES125 / SES150 Dylan 2002-2009
- CN250 Helix 1987-2007
- PS250 Big Ruckus 2004-2007
- FES125 / FES150 Pantheon 1998-2006
- FES250 Foresight 1997-2005
- Скутеры (49-124ссм)
-
Эндуро
- CRF250R/X/M/L CRF300L 2004-н.в.
- CRF450R/X 2002-н.в.
- CRF150R/RB/F 2003-н.в.
- CRF125F/FB 2014-н.в.
- CRF110F 2013-н.в.
- CRF50F 2004-н.в.
- XR650R / XR650L 1993-2016
- XR250R/L/Motard/Baja 1981-н.в.
- XR150L 2014-н.в.
- CRF230F/M/L 2003-2016
- XR125L 2003-2014
- CRF100F 2004-2013
- CRF80F 2004-2013
- XRE300 2010-2012
- CRF70F 2004-2012
- XR400R/Motard 1996-2008
- FMX650 2005-2007
- CR250R 1980-2007
- CR125R 1981-2007
- CR85R 2003-2007
- XR100R 1985-2003
- XR80R 1985-2003
- XR70R 1997-2003
- XR50R 2000-2003
- XR200R 1981-2002
- CR80R 1980-2002
- CR450-500R 1981-2001
- XR600R 1985-2000
- XLR125R / XLR200R / XLR250R Baja 1982-2000
- MTX50 / MTX80 / MTX125R / MTX200R 1982-1988
- XR350R 1983-1986
- CR50-60R 1983-1986
- XR500R 1981-1984
-
Квадроциклы
- TRX650 / TRX680 FourTrax 4x4 2003-н.в.
- TRX500 FourTrax 4x4 2001-н.в.
- TRX420 FourTrax 4x4 2007-н.в.
- TRX250 FourTrax 4x2 1985-н.в.
-
TRX250R SporTrax 4x2
1986-н.в. - TRX90 FourTrax 4x2 1993-н.в.
- TRX450R SporTrax 4x2 2004-2014
- TRX400R SporTrax 4x2 1999-2014
- TRX700 FourTrax 4x2 2008-2011
- TRX300R SporTrax 4x2 1993-2009
- TRX400 FourTrax 4x4 1995-2008
- TRX350 FourTrax 4x4 1986-2006
- TRX450 FourTrax 4x4 1998-2004
- TRX300 FourTrax 4x4 1988-2000
- TRX200 FourTrax 4x2 1984-1997
- TRX125 FourTrax 4x2 1985-1988
-
Тур-эндуро (Кроссоверы)
- Сервис
Контакты
-

г. Москва, ул. Нагатинская, д. 16, строение 6
Пн-Сб: 10-21, Вс: 10-20
-

- Запчасти HONDA
-
Запчасти ACURA
- ACURA MDX
- ACURA RDX
-
ACURA TLX
- поколение 1 (2005-2008)
- поколение 2 (2008-2011)
- поколение 3 (2005-2011)
- поколение 4 (2005-2008)
- поколение 1 (2005-2008)
- поколение 2 (2008-2011)
- поколение 3 (2005-2011)
- поколение 4 (2005-2008)
- поколение 1 (2005-2008)
- поколение 2 (2008-2011)
- поколение 3 (2005-2011)
- поколение 4 (2005-2008)
- поколение 1 (2005-2008)
- поколение 2 (2008-2011)
- поколение 3 (2005-2011)
- поколение 4 (2005-2008)
-
ACURA NSX
- поколение 1 (2005-2008)
- поколение 2 (2008-2011)
- поколение 3 (2005-2011)
- поколение 4 (2005-2008)
- поколение 1 (2005-2008)
- поколение 2 (2008-2011)
- поколение 3 (2005-2011)
- поколение 4 (2005-2008)
- поколение 1 (2005-2008)
- поколение 2 (2008-2011)
- поколение 3 (2005-2011)
- поколение 4 (2005-2008)
- поколение 1 (2005-2008)
- поколение 2 (2008-2011)
- поколение 3 (2005-2011)
- поколение 4 (2005-2008)
-
ACURA RL
- поколение 1 (2005-2008)
- поколение 2 (2008-2011)
- поколение 3 (2005-2011)
- поколение 4 (2005-2008)
- поколение 1 (2005-2008)
- поколение 2 (2008-2011)
- поколение 3 (2005-2011)
- поколение 4 (2005-2008)
- поколение 1 (2005-2008)
- поколение 2 (2008-2011)
- поколение 3 (2005-2011)
- поколение 4 (2005-2008)
- поколение 1 (2005-2008)
- поколение 2 (2008-2011)
- поколение 3 (2005-2011)
- поколение 4 (2005-2008)
-
ACURA TSX
- поколение 1 (2005-2008)
- поколение 2 (2008-2011)
- поколение 3 (2005-2011)
- поколение 4 (2005-2008)
- поколение 1 (2005-2008)
- поколение 2 (2008-2011)
- поколение 3 (2005-2011)
- поколение 4 (2005-2008)
- поколение 1 (2005-2008)
- поколение 2 (2008-2011)
- поколение 3 (2005-2011)
- поколение 4 (2005-2008)
- поколение 1 (2005-2008)
- поколение 2 (2008-2011)
- поколение 3 (2005-2011)
- поколение 4 (2005-2008)
-
ACURA RSX
- поколение 1 (2005-2008)
- поколение 2 (2008-2011)
- поколение 3 (2005-2011)
- поколение 4 (2005-2008)
- поколение 1 (2005-2008)
- поколение 2 (2008-2011)
- поколение 3 (2005-2011)
- поколение 4 (2005-2008)
- поколение 1 (2005-2008)
- поколение 2 (2008-2011)
- поколение 3 (2005-2011)
- поколение 4 (2005-2008)
- поколение 1 (2005-2008)
- поколение 2 (2008-2011)
- поколение 3 (2005-2011)
- поколение 4 (2005-2008)
-
Мотозапчасти HONDA
-
Africa Twin 1988-н.в.
- Подпункт 1
- Подпункт 2
- Подпункт 1
- Подпункт 2
- Подпункт 1
- Подпункт 2
- Подпункт 1
- Подпункт 2
- Подпункт 1
- Подпункт 2
- Подпункт 1
- Подпункт 2
- Подпункт 1
- Подпункт 2
- Подпункт 1
- Подпункт 2
- Подпункт 1
- Подпункт 2
- Подпункт 1
- Подпункт 2
- Подпункт 1
- Подпункт 2
- Подпункт 1
- Подпункт 2
- Подпункт 1
- Подпункт 2
- Подпункт 1
- Подпункт 2
- Подпункт 1
- Подпункт 2
- Подпункт 1
- Подпункт 2
- Подпункт 1
- Подпункт 2
- Подпункт 1
- Подпункт 2
- Подпункт 1
- Подпункт 2
- Подпункт 1
- Подпункт 2
- Подпункт 1
- Подпункт 2
- Подпункт 1
- Подпункт 2
- VFR1200X/XD Crosstourer 2012-н.в.
- VFR800X/XD Crossrunner 2011-н.в.
- NC700-750X/XD 2012-н.в.
- CB1000R/F 1993-н.в.
- CB650R/F 2014-н.в.
- CB300R/F 2015-н.в.
- NC700-750S/SD 2012-н.в.
- CBR1000RR FireBlade 2004-н.в.
- CBR650R/F 2019-н.в.
- CBR600RR/F 1987-н.в.
- CBR500R/F 1987-н.в.
- Gold Wing / Bagger 1982-н.в.
- VFR1200F/FD 2009-2017
- VFR800 1998-н.в.
- CBR250-300R 1987-2014
- XL1000V/VA Varadero 1998-2011
- XL125-700 Transalp/Varadero 1983-2016
- CB500X 2013-н.в.
- FX650/SLR650 1996-2003
- NX650 Dominator 1988-2002
- NX500 Dominator 1988-1999
- NX250 Dominator 1988-1993
- NX125 Transcity 1988-1997
-
AX-1
1987-1994 - CBR1100XX Super BlackBird 1996-2007
- CBR1000F 1987-1999
- CBR750F Super Aero 1987-1993
- VTR1000F FireStorm 1997-2006
- VFR750F 1986-1997
- VFR700F 1986-1987
-
Africa Twin 1988-н.в.
- Сервис
-

г. Москва, ул. Нагатинская, д. 16, строение 6
Пн-Сб: 10-21, Вс: 10-20
-

















